Конструкция плазмотрона F1 разработана и сконструирована специально для нанесения покрытий на внутренние поверхности деталей с диаметром от 75 мм и на глубину до 495 мм. Специальный материал корпуса позволяет производить напыления избегая влияния электрических полей на процесс наплавки. Данная модификация так же позволяет производить напыления при угле плазменной струи в 45˚ относительно корпуса плазмотрона.
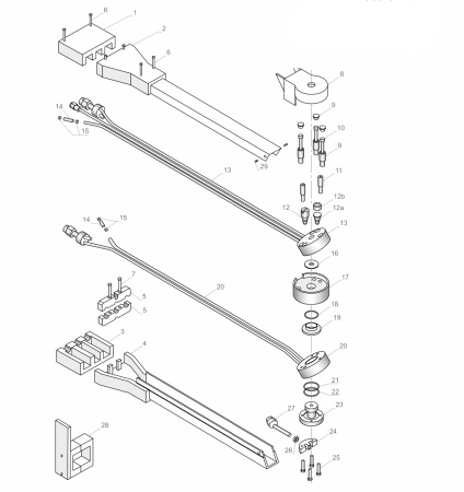
Взрыв-схема плазматрона F1-45
| Номер на схеме | Артикул | Наименование | Артикул по METCO | Артикул по FST | |
|---|---|---|---|---|---|
| 1 | IRS-302001 | Оболочка корпуса F1-45/90 верхняя задняя | Shell for F1-45/90 | 1003629 | 301.001-01 |
| 2 | IRS-302002 | Оболочка корпуса F1-45/90 верхняя передняя | Shell for F1-45/90 | 1003629 | 301.001-01 |
| 3 | IRS-302003 | Оболочка корпуса F1-45/90 нижняя задняя | Shell for F1-45/90 | 1003629 | 301.001-01 |
| 4 | IRS-302004 | Оболочка корпуса F1-45/90 нижняя передняя | Shell for F1-45/90 | 1003629 | 301.001-01 |
| 5 | IRS-302005 | Держатель | Holder | 1003633 | 301.006 |
| 6 | IRS-302006 | Винт с цилиндрической головкой | Socket head cap screw | - | 301.028 |
| 7 | IRS-302007 | Винт держателя | Socket head cap screw for holder | - | 301.029 |
| 8 | IRS-302008 | Крышка F1-45/90 | Cover | 1003751 | 301.002-01 |
| 9 | IRS-302009 | Изолирующие втулки | Insulating sleeves and covers | 1003624 | 301.007 |
| 10 | IRS-302010 | Винт М3х16 | Screw, M3x16 | 1003520 | 301.008 |
| 11 | IRS-302011 | Центрирующий штифт | Centering pin | 1003640 | 3001.009 |
| 12a | IRS-302012 | Электрод вставной | Electrode, plug type | 1003742 | 301.010-01 |
| 12b | IRS-302013 | Винт для электрода | Screw for electrode | 1003747 | 301.011 |
| 13 | IRS-302014 | Задняя секция в сборе | Rear section complete | 1003750 | 301.012-01 |
| 14 | IRS-302015 | Соединительный шланг | Connecting hose | 1003510 | 301.005 |
| 15 | IRS-302016 | Зажим соединительного шланга | Connecting hose clamp | 1003509 | 301.004 |
| 16 | IRS-302017 | Газораспределительное кольцо | Gas distribution ring | 1003634 | 301.013 |
| 17 | IRS-302018 | Промежуточная секция в сборе | Intermediate section complete | 1003754 | 301.014-00 |
| 18 | IRS-302019 | Уплотнительное кольцо | O-Ring | 1003754 | 301.014-00 |
| 19 | IRS-302020 | Промежуточная секция в сборе | Intermediate section complete | 1003754 | 301.014-00 |
| - | IRS-302021 | Промежуточная секция | Intermediate section | 1003754 | |
| 20 | IRS-302022 | Передняя секция | Front section | 1003749 | 301.015-01 |
| 21 | IRS-302023 | Уплотнительное кольцо | O-Ring | 1003745 | 301.016 |
| 22 | IRS-302024 | Уплотнительное кольцо | O-Ring | 1003626 | 301.017 |
| 23.1 | IRS-302025 | Сопло, 5 мм | Nozzle, 5 mm | 1003621 | 301.018 |
| 23.2 | IRS-302026 | Сопло, 6 мм | Nozzle, 6 mm | 1003743 | 301.019 |
| 23.3 | IRS-302027 | Сопло, 7 мм | Nozzle, 7 mm | - | 301.020 |
| 24 | IRS-302028 | Держатель инжектора стандартный | Injector support standard | 1003636 | 301.022 |
| 25 | IRS-302029 | Сопловые винты, М3х10 | Nozzle screws, M3x10 | 1003521 | 301.023 |
| 26 | IRS-302030 | Стопорная гайка М5 | Locknut, M5 | - | 301.021 |
| 27.1 | IRS-302031 | Инжектор порошка 1.5 мм | Powder injector 1.5 mm | 1003434 | 380.001 |
| 27.2 | IRS-302032 | Инжектор порошка 1.8 мм | Powder injector 1.8 mm | 1003436 | 380.002 |
| 27.3 | IRS-302033 | Инжектор порошка 2.0 мм | Powder injector 2.0 mm | 1003439 | 380.003 |
| 27.4 | IRS-302034 | Инжектор порошка изогнутый 1.5 мм | Powder injector 1.5 mm | 1003758 | 380.004 |
| 27.5 | IRS-302035 | Инжектор порошка изогнутый 1.8 мм | Powder injector 1.8 mm | 1003760 | 380.005 |
| 27.6 | IRS-302036 | Инжектор порошка изогнутый 2.0 мм | Powder injector 2.0 mm | 1003761 | 380.006 |
| 28 | IRS-302037 | Держатель ствола | Gun holder complete | 301.024 | |
| 29 | IRS-302038 | Винты, М3х6 | Screws, M3x6 | - | 301.003 |
Опциональными принадлежностями для плазмотрона являются:
- приспособление для вытягивания сопла
- кронштейн для крепления плазмотрона
- держатели инжекторов
- инжекторы
- электроды
- сопла
Специалисты компании ООО «Интеллектуальные робот системы» всегда готовы проконсультировать Вас по необходимой комплектации для решения вашей производственной задачи.
Условия и способы оплаты
Мы предоставляем гибкие условия расчетов, учитывающие специфику каждой сделки, чтобы обеспечить удобство и надежность сотрудничества.
Способы оплаты
Оплата осуществляется безналичным банковским переводом на основании выставленного счета.
При наличии оборудования на складе
Если требуется монтаж оборудования
100% — предоплата при заключении договора.
Если монтаж оборудования не требуется
90% — предоплата при заключении договора.
10% — по факту готовности оборудования к отгрузке со склада в Ташкенте.
Примечание: Возможны индивидуальные условия оплаты. Мы всегда открыты для обсуждения!
При поставке оборудования под заказ
Если требуется монтаж оборудования
50% — предоплата при заключении договора, что гарантирует бронирование производства под ваш заказ.
40% — по факту готовности оборудования к отгрузке со склада в Ташкенте.
10% — после успешного ввода оборудования в эксплуатацию на вашем производстве.
Если монтаж оборудования не требуется
50% — предоплата при заключении договора, что гарантирует бронирование производства под ваш заказ.
50% — по факту готовности оборудования к отгрузке со склада в Ташкенте.
Примечание: Возможны индивидуальные условия оплаты в зависимости от типа оборудования и сроков поставки. Мы всегда открыты для обсуждения!
Почему выбирают нас?
- Индивидуальный подход. Мы разрабатываем уникальные условия для каждого клиента, учитывая специфику бизнеса.
- Прозрачность. Вы всегда будете знать, на каком этапе находятся изготовление и поставка оборудования.
- Экспертная поддержка. Наши специалисты готовы ответить на любые вопросы, связанные с условиями оплаты, лизинга или субсидии, а также подсказать, как получить максимальную выгоду от сделки.
- Комплексное сопровождение. Мы берем на себя все задачи по оформлению и согласованию документации, чтобы вы могли сосредоточиться на развитии вашего бизнеса.
Готовы сделать первый шаг?
Свяжитесь с нашими сотрудниками отдела продаж, чтобы обсудить детали оплаты, получить персональное предложение или узнать больше о возможностях лизинга или субсидии. Мы готовы предложить вам лучшее решение для вашего производства!
Доставка: Удобные варианты для каждого клиента
Мы стремимся сделать процесс получения оборудования максимально удобным и доступным для вас. Вы можете выбрать наиболее подходящий способ доставки из предложенных вариантов.
1. Самовывоз с нашего склада
Вы можете самостоятельно забрать оборудование с нашего склада по адресу: г. Ташкент, Яшнободский район, ул. Темирчи, 19
Склад компании «UZMACHIMPORT» удобно расположен, что упрощает планирование логистики и экономит ваше время.
Обратите внимание: самовывоз возможен только по предварительному согласованию. Пожалуйста, заранее свяжитесь с нами для уточнения готовности заказа и времени отгрузки.
Самовывоз — это быстрый и экономичный способ для тех, кто предпочитает самостоятельно организовывать доставку.
2. Доставка нашим автотранспортом
Мы предлагаем доставку до вашего адреса собственным автотранспортом.
Преимущества:
- Полный контроль за сохранностью груза и точные сроки доставки.
- Подходит для любых категорий оборудования, включая крупногабаритные и тяжелые станки.
- Наши специалисты обеспечат аккуратную погрузку и доставку.
- Доставка автотранспортом компании «UZMACHIMPORT»
Этот вариант удобен для клиентов, которым важно минимизировать затраты времени и получить оборудование «до дверей».
3. Доставка через транспортные компании
Мы сотрудничаем с надежными транспортными компаниями, чтобы доставить ваше оборудование в любой регион.
Преимущества:
- Возможность выбора любой удобной транспортной компании.
- Мы подготовим груз к транспортировке, включая упаковку и оформление всех сопроводительных документов.
Доставка через транспортные компании — это надежный и экономичный способ получения оборудования для клиентов из других регионов.
Почему выбирают нас?
- Гибкость. Несколько вариантов доставки позволяют выбрать удобный способ в зависимости от ваших потребностей.
- Прозрачность. Мы заранее обсуждаем все условия по доставке и фиксируем их в договоре.
- Надежность. Весь процесс отгрузки и доставки организован профессионально, с заботой о сохранности вашего оборудования.
Свяжитесь с нами, чтобы выбрать оптимальный вариант доставки, и получите свое оборудование быстро, надежно и с минимальными затратами!
9,2% — эффективная процентная ставка по лизингу с учетом дохода от депозита*
Почему это выгодно?
Легкий старт
10% аванса без сложных процедур одобрения
Без залогов
Оборудование само становится залогом
1,5% переплаты в месяц
Окупается за счет дохода от приобретённого оборудования
Снижение налогов
Экономия до 40% на НДС и налоге на прибыль
Выкуп оборудования
По истечении срока по остаточной стоимости
Свяжитесь с нами
Мы расскажем обо всех выгодах лизинга от ИРС

