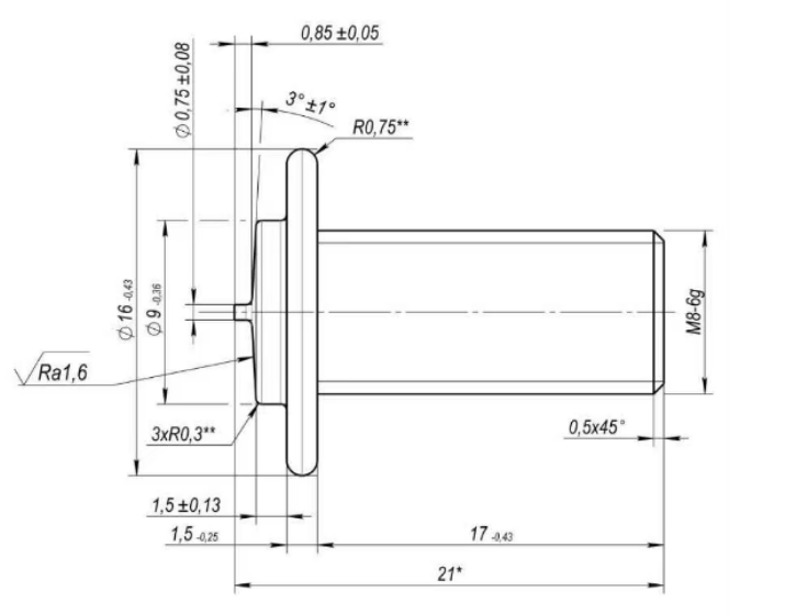
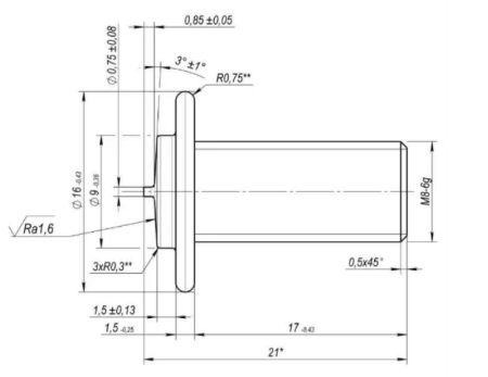
Приварная шпилька стальная нержавеющая для конденсаторной сварки с увеличенным фланцем
Описание:
Приварная шпилька из нержавеющей стали предназначена для конденсаторной сварки и обеспечивает надежное крепление в различных конструкциях. Благодаря увеличенному фланцу обеспечивается повышенная прочность соединения и устойчивость к нагрузкам.
Преимущества:
✔ Изготовлена из высококачественной нержавеющей стали (марки AISI 304, AISI 316 или аналоги) – устойчива к коррозии и агрессивным средам.
✔ Увеличенный фланец повышает площадь контакта при сварке, что улучшает прочность фиксации.
✔ Подходит для конденсаторной (контактной) сварки – быстрый и надежный монтаж.
✔ Широко применяется в машиностроении, электротехнике, строительстве, пищевой и химической промышленности.
Характеристики:
• Материал: нержавеющая сталь (AISI 304, 316 или др.).
• Тип крепления: приварной (конденсаторная сварка).
• Особенности конструкции: увеличенный фланец для усиления соединения.
• Диаметр резьбы: M3–M10
• Длина: стандартная или по индивидуальным требованиям.
Применение:
• Крепление электрооборудования, кожухов, панелей.
• Монтаж в условиях повышенной влажности и агрессивных сред.
• Сборка металлоконструкций, требующих высокой надежности.
Доступны различные размеры и исполнения – уточняйте параметры!
Условия и способы оплаты
Мы предоставляем гибкие условия расчетов, учитывающие специфику каждой сделки, чтобы обеспечить удобство и надежность сотрудничества.
Способы оплаты
Оплата осуществляется безналичным банковским переводом на основании выставленного счета.
При наличии оборудования на складе
Если требуется монтаж оборудования
100% — предоплата при заключении договора.
Если монтаж оборудования не требуется
90% — предоплата при заключении договора.
10% — по факту готовности оборудования к отгрузке со склада в Ташкенте.
Примечание: Возможны индивидуальные условия оплаты. Мы всегда открыты для обсуждения!
При поставке оборудования под заказ
Если требуется монтаж оборудования
50% — предоплата при заключении договора, что гарантирует бронирование производства под ваш заказ.
40% — по факту готовности оборудования к отгрузке со склада в Ташкенте.
10% — после успешного ввода оборудования в эксплуатацию на вашем производстве.
Если монтаж оборудования не требуется
50% — предоплата при заключении договора, что гарантирует бронирование производства под ваш заказ.
50% — по факту готовности оборудования к отгрузке со склада в Ташкенте.
Примечание: Возможны индивидуальные условия оплаты в зависимости от типа оборудования и сроков поставки. Мы всегда открыты для обсуждения!
Почему выбирают нас?
- Индивидуальный подход. Мы разрабатываем уникальные условия для каждого клиента, учитывая специфику бизнеса.
- Прозрачность. Вы всегда будете знать, на каком этапе находятся изготовление и поставка оборудования.
- Экспертная поддержка. Наши специалисты готовы ответить на любые вопросы, связанные с условиями оплаты, лизинга или субсидии, а также подсказать, как получить максимальную выгоду от сделки.
- Комплексное сопровождение. Мы берем на себя все задачи по оформлению и согласованию документации, чтобы вы могли сосредоточиться на развитии вашего бизнеса.
Готовы сделать первый шаг?
Свяжитесь с нашими сотрудниками отдела продаж, чтобы обсудить детали оплаты, получить персональное предложение или узнать больше о возможностях лизинга или субсидии. Мы готовы предложить вам лучшее решение для вашего производства!
Доставка: Удобные варианты для каждого клиента
Мы стремимся сделать процесс получения оборудования максимально удобным и доступным для вас. Вы можете выбрать наиболее подходящий способ доставки из предложенных вариантов.
1. Самовывоз с нашего склада
Вы можете самостоятельно забрать оборудование с нашего склада по адресу: г. Ташкент, Яшнободский район, ул. Темирчи, 19
Склад компании «UZMACHIMPORT» удобно расположен, что упрощает планирование логистики и экономит ваше время.
Обратите внимание: самовывоз возможен только по предварительному согласованию. Пожалуйста, заранее свяжитесь с нами для уточнения готовности заказа и времени отгрузки.
Самовывоз — это быстрый и экономичный способ для тех, кто предпочитает самостоятельно организовывать доставку.
2. Доставка нашим автотранспортом
Мы предлагаем доставку до вашего адреса собственным автотранспортом.
Преимущества:
- Полный контроль за сохранностью груза и точные сроки доставки.
- Подходит для любых категорий оборудования, включая крупногабаритные и тяжелые станки.
- Наши специалисты обеспечат аккуратную погрузку и доставку.
- Доставка автотранспортом компании «UZMACHIMPORT»
Этот вариант удобен для клиентов, которым важно минимизировать затраты времени и получить оборудование «до дверей».
3. Доставка через транспортные компании
Мы сотрудничаем с надежными транспортными компаниями, чтобы доставить ваше оборудование в любой регион.
Преимущества:
- Возможность выбора любой удобной транспортной компании.
- Мы подготовим груз к транспортировке, включая упаковку и оформление всех сопроводительных документов.
Доставка через транспортные компании — это надежный и экономичный способ получения оборудования для клиентов из других регионов.
Почему выбирают нас?
- Гибкость. Несколько вариантов доставки позволяют выбрать удобный способ в зависимости от ваших потребностей.
- Прозрачность. Мы заранее обсуждаем все условия по доставке и фиксируем их в договоре.
- Надежность. Весь процесс отгрузки и доставки организован профессионально, с заботой о сохранности вашего оборудования.
Свяжитесь с нами, чтобы выбрать оптимальный вариант доставки, и получите свое оборудование быстро, надежно и с минимальными затратами!
9,2% — эффективная процентная ставка по лизингу с учетом дохода от депозита*
Почему это выгодно?
Легкий старт
10% аванса без сложных процедур одобрения
Без залогов
Оборудование само становится залогом
1,5% переплаты в месяц
Окупается за счет дохода от приобретённого оборудования
Снижение налогов
Экономия до 40% на НДС и налоге на прибыль
Выкуп оборудования
По истечении срока по остаточной стоимости
Свяжитесь с нами
Мы расскажем обо всех выгодах лизинга от ИРС

