Крепежные элементы, использующие технологию поверхностного монтажа, брочирования для печатных плат.<br />
Брочирующий крепеж также может служить практичной альтернативой традиционному "свободному" крепежу. Брочирующий крепеж представляет собой элемент с насеченной поверхностью, который запрессовывается в отверстие, создавая прочное постоянное резьбовое или гладкое крепление на печатных платах. Также может использоваться в алюминии, акриле, литьевых и поликарбонатных деталях.<br />
Специальные осевые канавки на стержне крепежа "брошируют" (врезаются) в материал, создавая интерференционную посадку, устойчивую к проворачиванию. Для печатных плат рекомендуется использовать в не металлизированных отверстиях.<br />
Основные характеристики:<br />
1. Резьбовые брочирующие шпильки<br />
o Обеспечивают резьбовые точки крепления.<br />
o Могут использоваться как паяемые контакты для электрических соединений.<br />
2. Технология поверхностного монтажа и брочирования<br />
o Броширование: Насеченный стержень с осевыми канавками врезается в материал (плату, пластик, металл) при запрессовке, создавая прочное соединение, устойчивое к проворачиванию и вырыву.<br />
o Развальцовка: Некоторые модели могут иметь развальцованную основу для дополнительной фиксации.<br />
3. Совместимость с материалами<br />
o Оптимально подходят для неметаллизированных отверстий в платах (для лучшего сцепления).<br />
o Также применяются в алюминии, акриле, литых и поликарбонатных деталях.<br />
Применение:<br />
• Крепление компонентов на платах:<br />
o Надежная фиксация разъемов, панелей и других элементов.<br />
• Корпуса и панели:<br />
o Установка в пластиковые/металлические корпуса <br />
• Электромеханические сборки:<br />
o Сочетает механическую фиксацию с электрическим контактом (при пайке).<br />
Особенности монтажа:<br />
• Запрессовываются в предварительно подготовленные отверстия (размер критичен для качественного броширования).<br />
• Не рекомендуются для металлизированных отверстий – могут повредить гальваническое покрытие.<br />
• Могут комбинироваться с пайкой для дополнительной фиксации и электропроводности.<br />
<br />
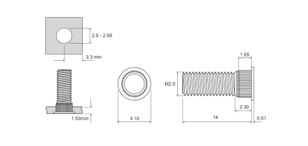
KFH Резьбовая шпилька для печатных плат<br />
Материал: Фосфористая бронза CDA-510<br />
Основные характеристики:<br />
• Материал: CDA-510 (сплав фосфористой бронзы)<br />
o Высокая электропроводность и коррозионная стойкость.<br />
o Хорошая паяемость, подходит для электрических соединений.<br />
o Прочность и износостойкость, обеспечивающие надежное крепление.<br />
• Назначение:<br />
o Используется в качестве резьбового крепежа или контактного элемента на печатных платах (PCB).<br />
• Технология монтажа:<br />
o Запрессовка в неметаллизированные отверстия плат (надежная механическая фиксация за счет насечки).<br />
o Пайка (дополнительное крепление и обеспечение электрического контакта).<br />
• Применение:<br />
o Крепление разъемов, экранов, компонентов на платах.<br />
o Создание резьбовых точек в пластиковых, алюминиевых и композитных корпусах.<br />
Преимущества материала CDA-510:<br />
✔ Высокая проводимость (подходит для сигнальных и силовых цепей).<br />
✔ Устойчивость к окислению (долгий срок службы).<br />
✔ Хорошая механическая прочность (выдерживает вибрации и нагрузки).<br />
Условия и способы оплаты
Мы предоставляем гибкие условия расчетов, учитывающие специфику каждой сделки, чтобы обеспечить удобство и надежность сотрудничества.
Способы оплаты
Оплата осуществляется безналичным банковским переводом на основании выставленного счета.
При наличии оборудования на складе
Если требуется монтаж оборудования
100% — предоплата при заключении договора.
Если монтаж оборудования не требуется
90% — предоплата при заключении договора.
10% — по факту готовности оборудования к отгрузке со склада в Ташкенте.
Примечание: Возможны индивидуальные условия оплаты. Мы всегда открыты для обсуждения!
При поставке оборудования под заказ
Если требуется монтаж оборудования
50% — предоплата при заключении договора, что гарантирует бронирование производства под ваш заказ.
40% — по факту готовности оборудования к отгрузке со склада в Ташкенте.
10% — после успешного ввода оборудования в эксплуатацию на вашем производстве.
Если монтаж оборудования не требуется
50% — предоплата при заключении договора, что гарантирует бронирование производства под ваш заказ.
50% — по факту готовности оборудования к отгрузке со склада в Ташкенте.
Примечание: Возможны индивидуальные условия оплаты в зависимости от типа оборудования и сроков поставки. Мы всегда открыты для обсуждения!
Почему выбирают нас?
- Индивидуальный подход. Мы разрабатываем уникальные условия для каждого клиента, учитывая специфику бизнеса.
- Прозрачность. Вы всегда будете знать, на каком этапе находятся изготовление и поставка оборудования.
- Экспертная поддержка. Наши специалисты готовы ответить на любые вопросы, связанные с условиями оплаты, лизинга или субсидии, а также подсказать, как получить максимальную выгоду от сделки.
- Комплексное сопровождение. Мы берем на себя все задачи по оформлению и согласованию документации, чтобы вы могли сосредоточиться на развитии вашего бизнеса.
Готовы сделать первый шаг?
Свяжитесь с нашими сотрудниками отдела продаж, чтобы обсудить детали оплаты, получить персональное предложение или узнать больше о возможностях лизинга или субсидии. Мы готовы предложить вам лучшее решение для вашего производства!
Доставка: Удобные варианты для каждого клиента
Мы стремимся сделать процесс получения оборудования максимально удобным и доступным для вас. Вы можете выбрать наиболее подходящий способ доставки из предложенных вариантов.
1. Самовывоз с нашего склада
Вы можете самостоятельно забрать оборудование с нашего склада по адресу: г. Ташкент, Яшнободский район, ул. Темирчи, 19
Склад компании «UZMACHIMPORT» удобно расположен, что упрощает планирование логистики и экономит ваше время.
Обратите внимание: самовывоз возможен только по предварительному согласованию. Пожалуйста, заранее свяжитесь с нами для уточнения готовности заказа и времени отгрузки.
Самовывоз — это быстрый и экономичный способ для тех, кто предпочитает самостоятельно организовывать доставку.
2. Доставка нашим автотранспортом
Мы предлагаем доставку до вашего адреса собственным автотранспортом.
Преимущества:
- Полный контроль за сохранностью груза и точные сроки доставки.
- Подходит для любых категорий оборудования, включая крупногабаритные и тяжелые станки.
- Наши специалисты обеспечат аккуратную погрузку и доставку.
- Доставка автотранспортом компании «UZMACHIMPORT»
Этот вариант удобен для клиентов, которым важно минимизировать затраты времени и получить оборудование «до дверей».
3. Доставка через транспортные компании
Мы сотрудничаем с надежными транспортными компаниями, чтобы доставить ваше оборудование в любой регион.
Преимущества:
- Возможность выбора любой удобной транспортной компании.
- Мы подготовим груз к транспортировке, включая упаковку и оформление всех сопроводительных документов.
Доставка через транспортные компании — это надежный и экономичный способ получения оборудования для клиентов из других регионов.
Почему выбирают нас?
- Гибкость. Несколько вариантов доставки позволяют выбрать удобный способ в зависимости от ваших потребностей.
- Прозрачность. Мы заранее обсуждаем все условия по доставке и фиксируем их в договоре.
- Надежность. Весь процесс отгрузки и доставки организован профессионально, с заботой о сохранности вашего оборудования.
Свяжитесь с нами, чтобы выбрать оптимальный вариант доставки, и получите свое оборудование быстро, надежно и с минимальными затратами!

