- AMADA 415мм
- AMADA 835мм сегментированный
- AMADA 835мм цельный
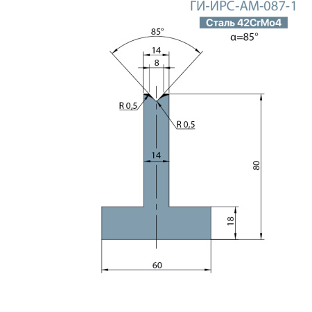
Мы рады представить вам матрицу ГИ-ИРС-АМ-087-T (Т-образная одноручьевая матрица) системы крепления EUROPEAN STYLE/AMADA/PROMECAM, которая является ключевым элементом листогибочного оборудования и предназначена для создания сложных профилей в металле.
Т-образная матрица является одним из типов матриц, используемых в листогибочных прессах. Она получила свое название из-за характерной формы паза, напоминающего букву Т. Этот тип матрицы имеет ряд особенностей и преимуществ, которые делают ее популярной в производстве. Рассмотрим ключевые достоинства Т-образной матрицы:
- Универсальность
Т-образная матрица подходит для гибки широкого спектра материалов, включая сталь, алюминий, медь и другие металлы. Это делает её универсальным решением для разных отраслей промышленности. - Высокая точность гиба
Форма паза Т-образной матрицы обеспечивает точное позиционирование листа во время гибки, что способствует высокой точности конечного продукта. Это особенно важно при изготовлении деталей с жесткими требованиями к геометрии. - Минимальный радиус гиба
Т-образная матрица позволяет достигать минимального радиуса гиба, что расширяет возможности по созданию сложных форм и конструкций. Это может быть критически важным для некоторых видов продукции. - Устойчивость к износу
Матрицы этого типа обычно изготавливаются из высокопрочной стали, что обеспечивает их длительный срок службы даже при интенсивном использовании. Износостойкость важна для поддержания качества продукции и снижения затрат на замену инструмента. - Легкость установки и замены
Установка и замена Т-образной матрицы обычно занимает минимальное количество времени, что уменьшает простой оборудования и увеличивает общую производительность цеха. - Совместимость с разными видами оборудования
Т-образные матрицы совместимы с большинством современных листогибочных прессов, что облегчает их внедрение в существующие производственные линии. - Возможность комбинирования с другими инструментами
В сочетании с другими типами матриц и пуансонов, Т-образная матрица позволяет создавать сложные профили и конструкции, что еще больше расширяет возможности листогибочного оборудования. - Безопасность использования
Конструкция Т-образной матрицы исключает риск случайного выскальзывания листа из паза, что повышает безопасность работы оператора и предотвращает повреждение материала. - Экономичность
Хотя стоимость самих Т-образных матриц может быть выше по сравнению с некоторыми другими типами, их высокая прочность и долговечность компенсируют эти расходы за счет длительного срока службы и минимальных затрат на обслуживание.
Таким образом, использование Т-образной матрицы в листогибочном оборудовании предоставляет множество преимуществ, начиная от повышения производительности и заканчивая улучшением качества готовой продукции.
Основные характеристики:
- Материал: Высококачественная сталь 42CrMo4 или Сталь 45 с повышенной износостойкостью, обеспечивающая долгий срок службы даже при интенсивной эксплуатации.
- Точность изготовления: Высокая точность обработки поверхности и геометрических параметров гарантирует идеальное соответствие с пуансоном и обеспечивает равномерное распределение нагрузки во время работы.
- Простота установки: Легкость монтажа и демонтажа благодаря продуманной конструкции и совместимости с большинством стандартных пуансонов.
- Угол: 85° градусов.
- Высота: 80 мм.
- Ширина ручья (V1): 8 мм.
- Максимальная нагрузка: 100 тонн/метр
Преимущества покупки:
- Повышенная производительность за счет высокой точности и надежности изделия.
- Снижение затрат на обслуживание и замену комплектующих благодаря долговечности материала.
- Возможность адаптации под различные производственные задачи благодаря универсальности матрицы.
- Оптимальное соотношение цены и качества, позволяющее получить максимальную выгоду от инвестиций.
Мы уверены, что наша матрица станет надежным помощником в вашем производстве и поможет достичь высоких результатов!
Наша компания предлагает Вам возможность изготовления нестандартных решений и инструментов по индивидуальным чертежам и техническим требованиям заказчиков, без ограничения габаритными и конструктивными параметрами. В зависимости от требований мы можем создать для Вас матрицы с нестандартной сегментацией или персональными размерами, доработать радиусы и углы инструмента, сделать нестандартное крепление инструмента на станке и многое другое. Все это позволит адаптировать инструмент под конкретные нужды вашего производства.
Матрицы для гибочных станков системы крепления AMADA/PROMECAM имеют следующие длины секций:
- 415 мм цельный;
- 835 мм цельный;
- 835 мм секционный.

Мы готовы изготовить по вашему чертежу матрицу с любым углом ручья:

Вы можете выбрать любую сегментацию, которая необходима Вашему производству:

Изготовим по Вашему ТЗ матрицу с любым радиусом изгиба ручья:

Условия и способы оплаты
Мы предоставляем гибкие условия расчетов, учитывающие специфику каждой сделки, чтобы обеспечить удобство и надежность сотрудничества.
Способы оплаты
Оплата осуществляется безналичным банковским переводом на основании выставленного счета.
При наличии оборудования на складе
Если требуется монтаж оборудования
100% — предоплата при заключении договора.
Если монтаж оборудования не требуется
90% — предоплата при заключении договора.
10% — по факту готовности оборудования к отгрузке со склада в Ташкенте.
Примечание: Возможны индивидуальные условия оплаты. Мы всегда открыты для обсуждения!
При поставке оборудования под заказ
Если требуется монтаж оборудования
50% — предоплата при заключении договора, что гарантирует бронирование производства под ваш заказ.
40% — по факту готовности оборудования к отгрузке со склада в Ташкенте.
10% — после успешного ввода оборудования в эксплуатацию на вашем производстве.
Если монтаж оборудования не требуется
50% — предоплата при заключении договора, что гарантирует бронирование производства под ваш заказ.
50% — по факту готовности оборудования к отгрузке со склада в Ташкенте.
Примечание: Возможны индивидуальные условия оплаты в зависимости от типа оборудования и сроков поставки. Мы всегда открыты для обсуждения!
Почему выбирают нас?
- Индивидуальный подход. Мы разрабатываем уникальные условия для каждого клиента, учитывая специфику бизнеса.
- Прозрачность. Вы всегда будете знать, на каком этапе находятся изготовление и поставка оборудования.
- Экспертная поддержка. Наши специалисты готовы ответить на любые вопросы, связанные с условиями оплаты, лизинга или субсидии, а также подсказать, как получить максимальную выгоду от сделки.
- Комплексное сопровождение. Мы берем на себя все задачи по оформлению и согласованию документации, чтобы вы могли сосредоточиться на развитии вашего бизнеса.
Готовы сделать первый шаг?
Свяжитесь с нашими сотрудниками отдела продаж, чтобы обсудить детали оплаты, получить персональное предложение или узнать больше о возможностях лизинга или субсидии. Мы готовы предложить вам лучшее решение для вашего производства!
Доставка: Удобные варианты для каждого клиента
Мы стремимся сделать процесс получения оборудования максимально удобным и доступным для вас. Вы можете выбрать наиболее подходящий способ доставки из предложенных вариантов.
1. Самовывоз с нашего склада
Вы можете самостоятельно забрать оборудование с нашего склада по адресу: г. Ташкент, Яшнободский район, ул. Темирчи, 19
Склад компании «UZMACHIMPORT» удобно расположен, что упрощает планирование логистики и экономит ваше время.
Обратите внимание: самовывоз возможен только по предварительному согласованию. Пожалуйста, заранее свяжитесь с нами для уточнения готовности заказа и времени отгрузки.
Самовывоз — это быстрый и экономичный способ для тех, кто предпочитает самостоятельно организовывать доставку.
2. Доставка нашим автотранспортом
Мы предлагаем доставку до вашего адреса собственным автотранспортом.
Преимущества:
- Полный контроль за сохранностью груза и точные сроки доставки.
- Подходит для любых категорий оборудования, включая крупногабаритные и тяжелые станки.
- Наши специалисты обеспечат аккуратную погрузку и доставку.
- Доставка автотранспортом компании «UZMACHIMPORT»
Этот вариант удобен для клиентов, которым важно минимизировать затраты времени и получить оборудование «до дверей».
3. Доставка через транспортные компании
Мы сотрудничаем с надежными транспортными компаниями, чтобы доставить ваше оборудование в любой регион.
Преимущества:
- Возможность выбора любой удобной транспортной компании.
- Мы подготовим груз к транспортировке, включая упаковку и оформление всех сопроводительных документов.
Доставка через транспортные компании — это надежный и экономичный способ получения оборудования для клиентов из других регионов.
Почему выбирают нас?
- Гибкость. Несколько вариантов доставки позволяют выбрать удобный способ в зависимости от ваших потребностей.
- Прозрачность. Мы заранее обсуждаем все условия по доставке и фиксируем их в договоре.
- Надежность. Весь процесс отгрузки и доставки организован профессионально, с заботой о сохранности вашего оборудования.
Свяжитесь с нами, чтобы выбрать оптимальный вариант доставки, и получите свое оборудование быстро, надежно и с минимальными затратами!
9,2% — эффективная процентная ставка по лизингу с учетом дохода от депозита*
Почему это выгодно?
Легкий старт
10% аванса без сложных процедур одобрения
Без залогов
Оборудование само становится залогом
1,5% переплаты в месяц
Окупается за счет дохода от приобретённого оборудования
Снижение налогов
Экономия до 40% на НДС и налоге на прибыль
Выкуп оборудования
По истечении срока по остаточной стоимости
Свяжитесь с нами
Мы расскажем обо всех выгодах лизинга от ИРС

