<br />
Мини-втулки с насечкой под развальцовку (Mini Rivet Bush Standoff Serrated Face)<br />
Описание<br />
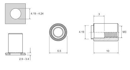
Мини-втулки с насечкой под развальцовку – это крепежные втулки, предназначенные для монтажа в тонколистовые материалы методом развальцовки. Наличие насечки (serrated face) обеспечивает надежную фиксацию, предотвращая проворачивание втулки после установки.<br />
Идеальное решение для легких и компактных конструкций, где требуется прочное резьбовое соединение без использования гаек.<br />
________________________________________<br />
Технические характеристики<br />
✅ Тип монтажа: развальцовка <br />
✅ Материал: сталь оцинкованная, нержавеющая сталь<br />
✅ Резьба: метрическая (M2–M6) или дюймовая (#2–1/4")<br />
✅ Насечка (serrated face): улучшает сцепление с материалом<br />
✅ Толщина листа: обычно 0.8–3.0 мм (зависит от модели)<br />
✅ Твердость основания: ≤ HRB 70 / HB 125 (для стальных и алюминиевых листов)<br />
________________________________________<br />
Преимущества<br />
• Электроника и печатные платы – крепление компонентов в компактных корпусах<br />
• Автомобильная промышленность – фиксация датчиков, панелей, кожухов<br />
• Авиакосмическая отрасль – облегченные конструкции с высокой нагрузочной способностью<br />
• Медицинское оборудование – миниатюрные и надежные крепления<br />
• Бытовая техника и IoT-устройства – сборка корпусов и внутренних модулей<br />
________________________________________<br />
Рекомендации по монтажу<br />
1. Подготовка отверстия – диаметр должен соответствовать внешнему диаметру втулки <br />
2. Установка втулки – вставляется в отверстие до упора.<br />
3. Развальцовка – выполняется с помощью инструмента (ручного, пневматического или гидравлического пресса).<br />
4. Проверка посадки – втулка должна быть зафиксирована плотно, без люфтов.<br />
Условия и способы оплаты
Мы предоставляем гибкие условия расчетов, учитывающие специфику каждой сделки, чтобы обеспечить удобство и надежность сотрудничества.
Способы оплаты
Оплата осуществляется безналичным банковским переводом на основании выставленного счета.
При наличии оборудования на складе
Если требуется монтаж оборудования
100% — предоплата при заключении договора.
Если монтаж оборудования не требуется
90% — предоплата при заключении договора.
10% — по факту готовности оборудования к отгрузке со склада в Ташкенте.
Примечание: Возможны индивидуальные условия оплаты. Мы всегда открыты для обсуждения!
При поставке оборудования под заказ
Если требуется монтаж оборудования
50% — предоплата при заключении договора, что гарантирует бронирование производства под ваш заказ.
40% — по факту готовности оборудования к отгрузке со склада в Ташкенте.
10% — после успешного ввода оборудования в эксплуатацию на вашем производстве.
Если монтаж оборудования не требуется
50% — предоплата при заключении договора, что гарантирует бронирование производства под ваш заказ.
50% — по факту готовности оборудования к отгрузке со склада в Ташкенте.
Примечание: Возможны индивидуальные условия оплаты в зависимости от типа оборудования и сроков поставки. Мы всегда открыты для обсуждения!
Почему выбирают нас?
- Индивидуальный подход. Мы разрабатываем уникальные условия для каждого клиента, учитывая специфику бизнеса.
- Прозрачность. Вы всегда будете знать, на каком этапе находятся изготовление и поставка оборудования.
- Экспертная поддержка. Наши специалисты готовы ответить на любые вопросы, связанные с условиями оплаты, лизинга или субсидии, а также подсказать, как получить максимальную выгоду от сделки.
- Комплексное сопровождение. Мы берем на себя все задачи по оформлению и согласованию документации, чтобы вы могли сосредоточиться на развитии вашего бизнеса.
Готовы сделать первый шаг?
Свяжитесь с нашими сотрудниками отдела продаж, чтобы обсудить детали оплаты, получить персональное предложение или узнать больше о возможностях лизинга или субсидии. Мы готовы предложить вам лучшее решение для вашего производства!
Доставка: Удобные варианты для каждого клиента
Мы стремимся сделать процесс получения оборудования максимально удобным и доступным для вас. Вы можете выбрать наиболее подходящий способ доставки из предложенных вариантов.
1. Самовывоз с нашего склада
Вы можете самостоятельно забрать оборудование с нашего склада по адресу: г. Ташкент, Яшнободский район, ул. Темирчи, 19
Склад компании «UZMACHIMPORT» удобно расположен, что упрощает планирование логистики и экономит ваше время.
Обратите внимание: самовывоз возможен только по предварительному согласованию. Пожалуйста, заранее свяжитесь с нами для уточнения готовности заказа и времени отгрузки.
Самовывоз — это быстрый и экономичный способ для тех, кто предпочитает самостоятельно организовывать доставку.
2. Доставка нашим автотранспортом
Мы предлагаем доставку до вашего адреса собственным автотранспортом.
Преимущества:
- Полный контроль за сохранностью груза и точные сроки доставки.
- Подходит для любых категорий оборудования, включая крупногабаритные и тяжелые станки.
- Наши специалисты обеспечат аккуратную погрузку и доставку.
- Доставка автотранспортом компании «UZMACHIMPORT»
Этот вариант удобен для клиентов, которым важно минимизировать затраты времени и получить оборудование «до дверей».
3. Доставка через транспортные компании
Мы сотрудничаем с надежными транспортными компаниями, чтобы доставить ваше оборудование в любой регион.
Преимущества:
- Возможность выбора любой удобной транспортной компании.
- Мы подготовим груз к транспортировке, включая упаковку и оформление всех сопроводительных документов.
Доставка через транспортные компании — это надежный и экономичный способ получения оборудования для клиентов из других регионов.
Почему выбирают нас?
- Гибкость. Несколько вариантов доставки позволяют выбрать удобный способ в зависимости от ваших потребностей.
- Прозрачность. Мы заранее обсуждаем все условия по доставке и фиксируем их в договоре.
- Надежность. Весь процесс отгрузки и доставки организован профессионально, с заботой о сохранности вашего оборудования.
Свяжитесь с нами, чтобы выбрать оптимальный вариант доставки, и получите свое оборудование быстро, надежно и с минимальными затратами!
9,2% — эффективная процентная ставка по лизингу с учетом дохода от депозита*
Почему это выгодно?
Легкий старт
10% аванса без сложных процедур одобрения
Без залогов
Оборудование само становится залогом
1,5% переплаты в месяц
Окупается за счет дохода от приобретённого оборудования
Снижение налогов
Экономия до 40% на НДС и налоге на прибыль
Выкуп оборудования
По истечении срока по остаточной стоимости
Свяжитесь с нами
Мы расскажем обо всех выгодах лизинга от ИРС

