<br />
Самоустанавливающиеся втулки (Self-Clinching Standoffs) – BSO (Blind Threaded Standoffs) глухие (неполнопроходные) втулки с внутренней резьбой<br />
1. Общее описание<br />
BSO (Blind Threaded Standoffs) – это самоустанавливающиеся резьбовые втулки, предназначенные для монтажа в металлические листы. Они обеспечивают надежное крепление без необходимости использования гаек или дополнительного крепежа благодаря технологии впрессовывания (clinching).<br />
2. Рекомендуемые материалы основания<br />
BSO-втулки предназначены для установки в:<br />
• Стальные листы<br />
• Алюминиевые листы<br />
Требования к твердости материала заготовки:<br />
• По шкале Роквелла (HRB) – не более 80<br />
• По шкале Бринелля (HB) – не более 150<br />
Примечание: Если твердость материала выше указанных значений, возможны трудности при установке или повреждение крепежа/основы.<br />
3. Особенности конструкции и монтажа<br />
• Глухая резьба (Blind Threaded) – внутренняя резьба позволяет вкручивать винты без сквозного отверстия.<br />
• Самозакрепляющийся механизм – при запрессовке втулка деформирует материал вокруг отверстия, создавая прочное соединение.<br />
• Устойчивость к проворачиванию и вырыванию – благодаря насечкам или рифленой поверхности.<br />
4. Типовые применения<br />
• Крепление электронных компонентов в металлических шасси.<br />
• Сборка корпусов приборов, щитов управления.<br />
• Фиксация плат и модулей в алюминиевых рамах.<br />
5. Рекомендации по монтажу<br />
• Диаметр отверстия должен соответствовать спецификации производителя (обычно на 0,05–0,1 мм меньше диаметра втулки).<br />
• Усилие запрессовки – регулируется в зависимости от толщины и твердости материала.<br />
• Использование специализированного инструмента (пресс или установочный инструмент) для равномерной установки.<br />
6. Альтернативы при высокой твердости материала<br />
Если основание слишком твердое (HRB >80 / HB >150), рекомендуется:<br />
• Использовать сварные/приварные втулки.<br />
• Применять крепеж с предварительной нарезкой резьбы (например, резьбовые вставки).<br />
Самоустанавливающиеся резьбовые втулки BSO (Blind Threaded Standoffs) – <br />
Полное руководство<br />
1. Введение и назначение<br />
Самоустанавливающиеся резьбовые втулки BSO (Blind Threaded Standoffs) представляют собой инновационное крепежное решение для создания надежных резьбовых соединений в металлических панелях. Эти элементы специально разработаны для:<br />
• Быстрого монтажа без дополнительного крепежа<br />
• Создания прочных резьбовых точек в тонколистовых материалах<br />
• Обеспечения устойчивого соединения в условиях вибрации и нагрузок<br />
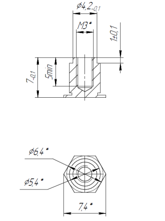
2. Технические характеристики<br />
Основные параметры:<br />
• Материал изготовления: углеродистая сталь<br />
• Типы резьбы: метрическая (M2-M6) и дюймовая (4-40 до 1/2"-13)<br />
• Высота стоек: от 3 мм до 25 мм (стандартные размеры)<br />
• Покрытия: цинкование<br />
Механические свойства:<br />
• Прочность на вырыв: до 1500 Н (зависит от диаметра и материала)<br />
• Крутящий момент: 0,5-15 Н·м (в зависимости от размера)<br />
• Температурный диапазон: от -50°C до +150°C (для стандартных версий)<br />
3. Совместимость с материалами<br />
Рекомендуемые базовые материалы:<br />
• Низкоуглеродистая сталь (HRB ≤80)<br />
• Алюминиевые сплавы (HB ≤150)<br />
• Латунь и медь (толщиной от 1 мм)<br />
Не рекомендуемые материалы:<br />
• Закаленные стали (HRC >20)<br />
• Титан и его сплавы<br />
• Хрупкие металлы и сплавы<br />
4. Подробный процесс установки<br />
<br />
4.1 Подготовка отверстия:<br />
• Требуемый диаметр: D = (номинальный диаметр стойки) - (0,05-0,15 мм)<br />
• Допуск на отверстие: ±0,03 мм<br />
• Чистота обработки: Ra ≤3,2 мкм<br />
• Минимальная толщина материала: 0,8 мм для малых втулок, от 1,5 мм для крупных<br />
4.2 Процесс монтажа:<br />
1. Совмещение втулки с отверстием<br />
2. Приложение осевого усилия (200-5000 Н в зависимости от размера)<br />
3. Формирование кольцевой деформации материала<br />
4. Фиксация за счет радиального напряжения<br />
4.3 Оборудование для монтажа:<br />
• Ручные прессы (для малых серий)<br />
• Пневматические или гидравлические прессы (для серийного производства)<br />
• Специальные направляющие оправки<br />
5. Преимущества и особенности<br />
Ключевые преимущества:<br />
✔ Полностью скрытый монтаж без выступающих элементов<br />
✔ Возможность установки с одной стороны панели<br />
✔ Высокая устойчивость к вибрации (в 3-5 раз выше винтовых соединений)<br />
✔ Равномерное распределение нагрузки<br />
✔ Возможность повторного использования резьбы<br />
Особенности конструкции:<br />
• Усиленное основание для предотвращения проворачивания<br />
• Оптимизированная геометрия для легкого старта при установке<br />
6. Применение в различных отраслях<br />
Электроника:<br />
• Крепление печатных плат<br />
• Монтаж компонентов в телекоммуникационном оборудовании<br />
• Установка панелей управления<br />
Машиностроение:<br />
• Сборка корпусов промышленного оборудования<br />
• Крепление защитных кожухов<br />
• Монтаж сенсоров и датчиков<br />
Автомобильная промышленность:<br />
• Установка электронных блоков управления<br />
• Крепление элементов интерьера<br />
• Монтаж светотехнического оборудования<br />
7. Техническое обслуживание и ремонт<br />
• Проверка затяжки: рекомендуемый момент 80% от номинального<br />
• Замена: возможно высверливание с последующей установкой нового элемента<br />
9. Часто задаваемые вопросы<br />
Q: Можно ли устанавливать BSO стойки в готовые изделия?<br />
A: Да, при наличии доступа к обратной стороне панели и возможности приложить монтажное усилие.<br />
Q: Как определить правильный размер отверстия?<br />
A: Точные значения указаны в технических спецификациях для каждого типоразмера стойки.<br />
Q: Возможна ли установка в цветные металлы?<br />
A: Да, но требуется уменьшение монтажного усилия на 15-20%.<br />
Условия и способы оплаты
Мы предоставляем гибкие условия расчетов, учитывающие специфику каждой сделки, чтобы обеспечить удобство и надежность сотрудничества.
Способы оплаты
Оплата осуществляется безналичным банковским переводом на основании выставленного счета.
При наличии оборудования на складе
Если требуется монтаж оборудования
100% — предоплата при заключении договора.
Если монтаж оборудования не требуется
90% — предоплата при заключении договора.
10% — по факту готовности оборудования к отгрузке со склада в Ташкенте.
Примечание: Возможны индивидуальные условия оплаты. Мы всегда открыты для обсуждения!
При поставке оборудования под заказ
Если требуется монтаж оборудования
50% — предоплата при заключении договора, что гарантирует бронирование производства под ваш заказ.
40% — по факту готовности оборудования к отгрузке со склада в Ташкенте.
10% — после успешного ввода оборудования в эксплуатацию на вашем производстве.
Если монтаж оборудования не требуется
50% — предоплата при заключении договора, что гарантирует бронирование производства под ваш заказ.
50% — по факту готовности оборудования к отгрузке со склада в Ташкенте.
Примечание: Возможны индивидуальные условия оплаты в зависимости от типа оборудования и сроков поставки. Мы всегда открыты для обсуждения!
Почему выбирают нас?
- Индивидуальный подход. Мы разрабатываем уникальные условия для каждого клиента, учитывая специфику бизнеса.
- Прозрачность. Вы всегда будете знать, на каком этапе находятся изготовление и поставка оборудования.
- Экспертная поддержка. Наши специалисты готовы ответить на любые вопросы, связанные с условиями оплаты, лизинга или субсидии, а также подсказать, как получить максимальную выгоду от сделки.
- Комплексное сопровождение. Мы берем на себя все задачи по оформлению и согласованию документации, чтобы вы могли сосредоточиться на развитии вашего бизнеса.
Готовы сделать первый шаг?
Свяжитесь с нашими сотрудниками отдела продаж, чтобы обсудить детали оплаты, получить персональное предложение или узнать больше о возможностях лизинга или субсидии. Мы готовы предложить вам лучшее решение для вашего производства!
Доставка: Удобные варианты для каждого клиента
Мы стремимся сделать процесс получения оборудования максимально удобным и доступным для вас. Вы можете выбрать наиболее подходящий способ доставки из предложенных вариантов.
1. Самовывоз с нашего склада
Вы можете самостоятельно забрать оборудование с нашего склада по адресу: г. Ташкент, Яшнободский район, ул. Темирчи, 19
Склад компании «UZMACHIMPORT» удобно расположен, что упрощает планирование логистики и экономит ваше время.
Обратите внимание: самовывоз возможен только по предварительному согласованию. Пожалуйста, заранее свяжитесь с нами для уточнения готовности заказа и времени отгрузки.
Самовывоз — это быстрый и экономичный способ для тех, кто предпочитает самостоятельно организовывать доставку.
2. Доставка нашим автотранспортом
Мы предлагаем доставку до вашего адреса собственным автотранспортом.
Преимущества:
- Полный контроль за сохранностью груза и точные сроки доставки.
- Подходит для любых категорий оборудования, включая крупногабаритные и тяжелые станки.
- Наши специалисты обеспечат аккуратную погрузку и доставку.
- Доставка автотранспортом компании «UZMACHIMPORT»
Этот вариант удобен для клиентов, которым важно минимизировать затраты времени и получить оборудование «до дверей».
3. Доставка через транспортные компании
Мы сотрудничаем с надежными транспортными компаниями, чтобы доставить ваше оборудование в любой регион.
Преимущества:
- Возможность выбора любой удобной транспортной компании.
- Мы подготовим груз к транспортировке, включая упаковку и оформление всех сопроводительных документов.
Доставка через транспортные компании — это надежный и экономичный способ получения оборудования для клиентов из других регионов.
Почему выбирают нас?
- Гибкость. Несколько вариантов доставки позволяют выбрать удобный способ в зависимости от ваших потребностей.
- Прозрачность. Мы заранее обсуждаем все условия по доставке и фиксируем их в договоре.
- Надежность. Весь процесс отгрузки и доставки организован профессионально, с заботой о сохранности вашего оборудования.
Свяжитесь с нами, чтобы выбрать оптимальный вариант доставки, и получите свое оборудование быстро, надежно и с минимальными затратами!

